Tuned Mass Dampers
Example Structures -- Images
-    
 Active Mass Damper - Detail
 -    
 Active Mass Damper - Diagram 
 -    
 Active Mass Damper - Perspective
 -    
 Active Mass Damper - Plan
 -    
 Active Mass Damper - Primary Structure
 -    
 Active Mass Damper - Section
 -    
 S.O.M., F.Kahn, Baxter Labor Building, Deerfield, Illinois
 -    
 Base Isolation - Bearing Plate Diagrams
 -    
 Base Isolation - Bearing Plate Components
 -    
 Base Isolation - Rubber Bearing Earthquake Diagram
 -    
 Base Isolation - External View
 -    
 Base Isolation - Fequency Diagram
 -    
 Base Isolation - Plan Diagram
 -    
 Base Isolation - Rubber Bearing
 -    
 Base Isolation - Rubber Bearing
 -    
 Base Isolation - Rubber Bearing in Place
 -    
 Base Isolation - Rubber Bearing Sections
 -    
 Base Isolation - Rubber Bearing Diagram
 -    
 Base Isolation - Steel Bearing Plate
 -    
 F.Kahn, Student project - Cable Stay Suspended Roof
 -    
 Student project - Hung Roof
 -    
 Student project - Superframe
 -    
 Tuned Mass Damper (TMD)
 -    
 Park Building - 6th Floor Plan
 -    
 Frequency vs. Response Curves
 -    
 Park Building, Queens, New York
 -    
 Park Building
 -    
 Park Building - Terrace
 -    
 Variable Speed Shaker
 -    
 Testing Equipment
 -    
 Corner Closet
 -    
 Tuned Mass Damper in Closet
 -    
 Tuned Mass Damper (TMD)
 -    
 Steel Plates
 -    
 Accelerometer on TMD
 -    
 Accelerometer and Dashpot
 -    
 Springs and Dashpot
 -    
 Accelerometer on Floor
 -    
 Testers
 -    
 Schematic Structural Sections
 -    
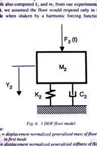
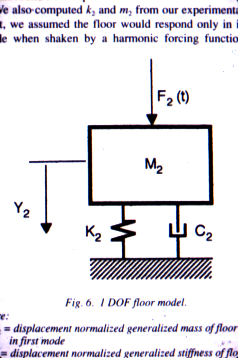
 1 Degree of Freedom Floor Model
 -    
 2 Degree of Freedom Floor Model
 -    
 Frequency vs. Peak Response Curves
 -    
 Section 1
 -    
 TMD Elevation
 -    
 Time History Response
 -    
 Park Building - 6th Floor Structural Plan
 -    
-    
-    
   
 Building
Systems I Lecture Materials Menu